Головна
→ Запасні частини
→ Axor
→ Верхний душ Axor ShowerCollection ShowerHeaven 10623800 с подсветкой
Верхний душ Axor ShowerCollection ShowerHeaven 10623800 с подсветкой
Характеристики продукта:
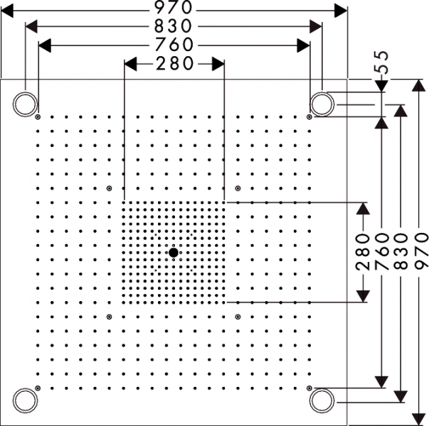
- размер душевого диска: 970 x 970 мм
- тип струи: RainAir (дождевая струя, обогащенная воздухом), обычная струя, ламинарная струя
- расход воды для струи RainAir (при 3 бар): 20.6 л/мин
- расход воды для обычной струи (при 3 бар): 33.3 л/мин
- расход воды для ламинарной струи: 15.6 л/мин
- управление тремя зонами струй осуществляется посредством трех вентилей или одного переключающего вентиля с тремя ответвлениями, управление по одному или в комбинации
- зоны струй: Bodyzone - внешняя зона потолочного душа, Rainzone - внутренняя зона потолочного душа с функцией AirPower, ламинарная струя – Ø 17 мм
- поверхность душевого диска: полированная нержавеющая сталь
- рамка: сатинированная нержавеющая сталь
- монтаж: потолок – наружный или скрытый монтаж с креплением к потолку
- со встроенным освещением
- лампочка: 4 x 20 Вт низковольтные галогенные рефлекторные лампы, включая блок питания 80 ВА
- не подходит для проточных водонагревателей
Дополнительно:
- Модуль термостата, внешняя часть, ¾’ (хром 10751000)
- Модуль термостата, скрытая часть, ¾’ (хром 10750180)
Характеристики
- Axor
- ShowerCollection
- верхній душ
- для душа
































Коментарі
Поки немає коментарів