Желоб водоотводящий Alca Plast APZ1-850 Smart
APZ1-850 ВОДООТВОДЯЩИЙ ЖЕЛОБ С ПОРОГАМИ ДЛЯ ПЕРФОРИРОВАННОЙ РЕШЕТКИ
Область применения:
- Для использования внутри помещений
- Для водоотведения в душевых на уровне пола
- Может располагаться в пространстве или непосредственно у стены
- Для перфорированной решетки из нержавеющей стали
- Для безбарьерного доступа
Свойства:
- Водоотводящий желоб из нержавеющей стали (обработанной методом травления и пассивации, а также прошедшей электрохимическую полировку)
- Высота монтажа от 85 мм
- Регулируемый по высоте
- Сифон прочно соединяется с желобом и гарантирует 100% водонепроницаемость
- Самоклеящиеся ленты для качественной гидроизоляции
- Вручную легко чистящийся сифон, вплоть до сточной трубы
- Воротник и гидрозатвор защищены специальной пленкой, лоток для решетки защищен вкладышем из пенопласта
- Высокая скорость стока возможна благодаря двухкамерному сифону
- Возможность изготовления с комбинированным гидрозатвором
- Гарантия 25 лет
- Материал желоба: нержавеющая сталь AISI 304, DIN 1.4301, ČSN 17240
- Материал сифона: полипропилен
Нормы и стандарты:
- ČSN EN 1253
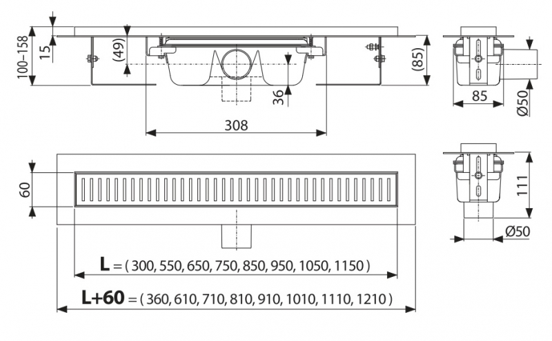
Технические параметры:
- Гидрозатвор 50 мм
- Скорость стока воды 60-68,8 л/мин.
- Сопротивление гидрозатвора 982 Па
- Диаметр сливной трубы 50 мм
- Минимальная толщина бетона 85 мм
- Общая высота монтажа (H2) 100 – 158 мм
- Максимальная нагрузка 300 кг
Содержание комплекта:
- Водоотводящий желоб с сифоном
- Монтажный набор: шуруп Ø6×50 – 2 шт., дюбель Ø10 – 2 шт.
- Самоклеящиеся гидроизоляционные ленты
- Защитная пленка для воротника желоба и впускного отверстия сифона
- Монтажный вкладыш для защиты лотка желоба
- Монтажный набор для крепления регулируемых ножек: шуруп M6×12 – 2 шт.
Логистическая информация:
- Длина желоба (L): 850 мм
- Вес (шт.): 3,5686 кг
- Размеры (шт.): 920×170×135 мм
Характеристики
- Alca Plast
- желоб
- для душа
- 850
- комбинированный SMART
- боковий
























Коментарі
Поки немає коментарів